Каминная топка Romotop Heat C 3G L 50.52.31.21
cd288d704206
Доставка в Волгоград
Удобство оплаты
Почему звонить в Очаг уже сейчас?
- Единая цена по всей России
- Бесплатная доставка
- Понимаем любой бюджет
- Считаем ВСЕ варианты
- Инструкции и видео для Монтажа
- Доступно, Оперативно, Профессионально
- Более 2 000 монтажей за 17 лет
Примеры работ #Степан_Знает
Видео галерея
Описание
Характеристики
Общие
Производитель:
Страна-производитель:
Чехия
Остекление:
Материал корпуса:
Материал топки:
- Вермикулит
Конструкция топки:
Стекло с подъемом вверх:
Да
Размеры
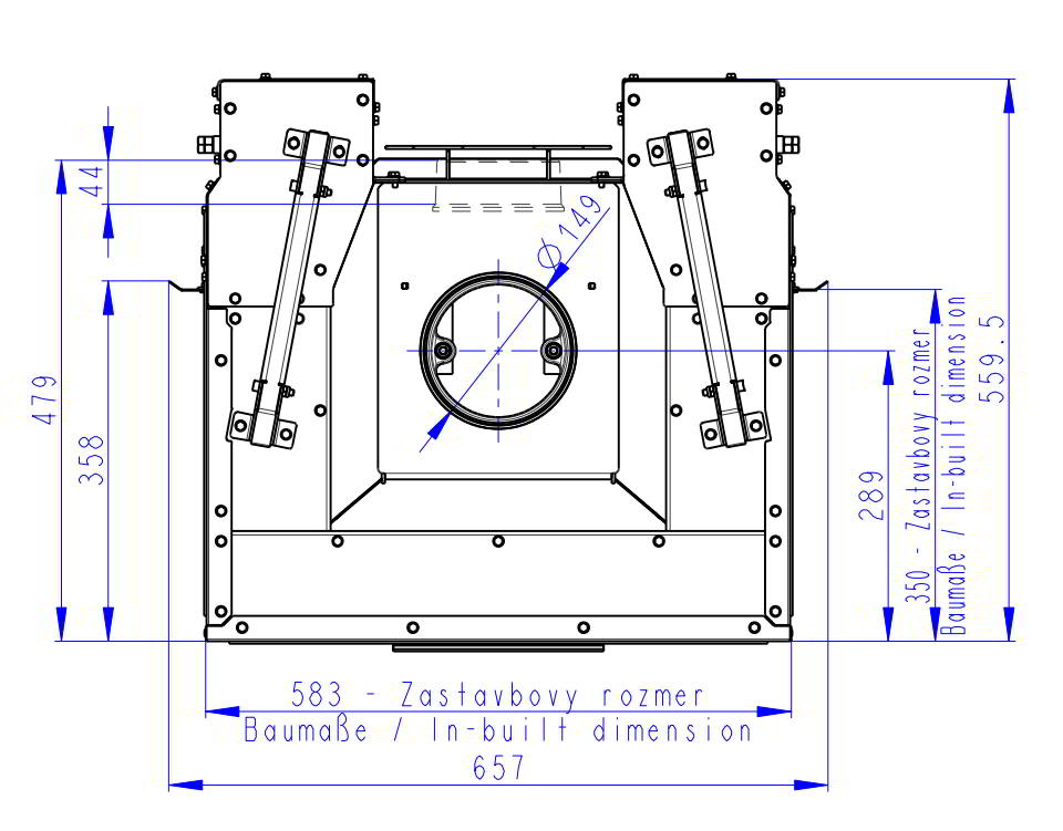
Диаметр дымохода:
150 мм
Общая ширина:
657 мм
Общая глубина:
560 мм
Общая высота:
1342 мм
Общий вес:
180 кг
Высота рамки:
468 мм
Ширина рамки:
504 мм
Производительность
Мощность:
5,6 кВт
КПД:
82,1%
Площадь отопления:
60 м²
Объем отопления:
150 м³
Использование для отопления:












